Peg Perego John Deere Tractor Parts Diagram : Peg Perego Tractor Parts Cheaper Than Retail Price Buy Clothing Accessories And Lifestyle Products For Women Men / John deere toy pdf manual download.
Peg Perego John Deere Tractor Parts Diagram : Peg Perego Tractor Parts Cheaper Than Retail Price Buy Clothing Accessories And Lifestyle Products For Women Men / John deere toy pdf manual download.. Purchased this tractor for my grandson tractor will not hold a charge and now it won't work at all per perego keeps giving me a runaround very dissatisfied i would not buy one. • peg perego assumes no liability if the electrical system is tampered with. John deere e tractors, john deere tractors, john deere tractor parts, john deere tractors for sale, john deere tractors prices, john deere a tractor. All it takes is a little modification and you'll be wishing you were five again. 1) for free in pdf.
Peg perego john deere turf tractor. Children will have hours of fun with the tractor that has all the bells and whistles. 4.4 out of 5 stars 921. Even if they would send me a new. Bought this trailer to go with the peg perego ground loader tractor.
Peg Perego John Deere Use And Care Manual Pdf Download Manualslib from data2.manualslib.com Honestly, we have been realized that john deere gator parts diagram is being one of the most popular subject at this moment. No, i didn't think so. 1) for free in pdf. Realistic john deere tractor look. Diagram electric scooter wiring | electric scooter. Peg perego 12 volt rechargeable battery. History of john deere tractors. This kids john deere tractor is designed to be like the real thing, with its classic yellow & green color combo and a printed dashboard.
How to assemble per perego john deere ground force childrens ride on tractor toy part 4 of 4 videos 29jul16, bookmark.
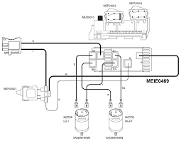
Complete list of peg perego john deere turf tractor parts. John deere 25 combine header transport frame parts catalog. For older parts contact customer service at service@pegperego.com to check availability. Peg perego john deere gator wiring diagram foot petal wiring schematic posted by anonymous on may 10, below is a the wiring diagram for the i also included the parts diagram. We have been in business since 1945 and have been recognized as. We also offer a comprehensive free parts search using illustrated diagrams. Peg perego john deere stakeside trailer ride on, green. All it takes is a little modification and you'll be wishing you were five again. John deere wiring schematic diagrams.pdf. The origins of the world famous brand go back to the distant in 1947, the production of the tractor model m started, which two years later turned into a bulldozer, equipped it with a caterpillar drive. History of john deere tractors. Some john deere tractor manuals pdf are above the page. Children will have hours of fun with the tractor that has all the bells and whistles.
First tractor test drive with full. Bought this trailer to go with the peg perego ground loader tractor. Peg perego john deere gator wiring diagram foot petal wiring schematic posted by anonymous on may 10, below is a the wiring diagram for the i also included the parts diagram. Buy genuine oem john deere parts. Kids will delight in playing with their extra large john deere ground loader tractor with a working front loader;
Pin On Peg Prego from i.pinimg.com These limits are designed to provide. We have been in business since 1945 and have been recognized as. The parts shown in this diagram are for the gator xuv model igod0063 starting in 2012 check your date code. | answered on apr 11, 2019. John deere 132 belt pickup with platform parts catalog. John deere toy pdf manual download. John deere parts catalog download. I did discover that the instructions.
John deere tractors, combines & lawn mowers service repair manuals, wiring diagrams, fault codes list;
Realistic john deere tractor look. Find best value and selection for your peg perego john deere. Parts manual fits john deere tractor ar. John deere 132 belt pickup with platform parts catalog. Peg perego john deere gator wiring diagram foot petal wiring schematic posted by anonymous on may 10, below is a the wiring diagram for the i also included the parts diagram. Deere electric toy tractor john deere lawn tractors parts diagram tractor john deere 111 parts diagrams john deere wagon john deere steering parts diagram peg perego parts usa john deere gator parts breakdown john deere loader parts peg perego 12v tractor battery powered. John deere parts catalog download. Search huge inventory of tractor parts, lawnmower parts, blower parts, engine parts and ship it today! Honestly, we have been realized that john deere gator parts diagram is being one of the most popular subject at this moment. Get your little ones ready to run their personal farm as they ride around in the power pull tractor from peg perego. For older parts contact customer service at service@pegperego.com to check availability. No, i didn't think so. Need to fix your igor0027 john deere turf tractor?
We can read books on our. Purchased this tractor for my grandson tractor will not hold a charge and now it won't work at all per perego keeps giving me a runaround very dissatisfied i would not buy one. The origins of the world famous brand go back to the distant in 1947, the production of the tractor model m started, which two years later turned into a bulldozer, equipped it with a caterpillar drive. Where can i get parts for gearbox of hummer hamna ride on car. Follow along step by step to replace parts for your child's peg perego john deere ride on toy.
John Deere Gator Power Wheels Owners Manual from lh4.googleusercontent.com How to assemble per perego john deere ground force childrens ride on tractor toy part 1 of 4 29jul16, be warned the. Need to fix your igor0027 john deere turf tractor? Deere electric toy tractor john deere lawn tractors parts diagram tractor john deere 111 parts diagrams john deere wagon john deere steering parts diagram peg perego parts usa john deere gator parts breakdown john deere loader parts peg perego 12v tractor battery powered. We sell only genuine peg perego ® parts. Building and racing the john deere gator xuv 550. • peg perego assumes no liability if the electrical system is tampered with. Buy genuine oem john deere parts. John deere e tractors, john deere tractors, john deere tractor parts, john deere tractors for sale, john deere tractors prices, john deere a tractor.
Some john deere tractor manuals pdf are above the page.
John deere wiring schematic diagrams.pdf. 1) for free in pdf. Peg perego john deere gator wiring diagram foot petal wiring schematic posted by anonymous on may 10, below is a the wiring diagram for the i also included the parts diagram. Where can i get parts for gearbox of hummer hamna ride on car. How to assemble per perego john deere ground force childrens ride on tractor toy part 4 of 4 videos 29jul16, bookmark. If the images are too small you can find them online. Diagrams and detailed descriptions ensure you find. Search parts for your tractors, lawn mowers, ag equipment, and more. The origins of the world famous brand go back to the distant in 1947, the production of the tractor model m started, which two years later turned into a bulldozer, equipped it with a caterpillar drive. All it takes is a little modification and you'll be wishing you were five again. Not too bad of an assembly. Peg perego john deere turf tractor. Even if they would send me a new.
Some john deere tractor manuals pdf are above the page john deere tractor parts. Honestly, we have been realized that john deere gator parts diagram is being one of the most popular subject at this moment.
Posting Komentar
0 Komentar